设为首页
加入收藏
网站首页
关于我们
新闻中心
产品信息
工程案例
服务承诺
人力资源
联系我们
环氧树脂套管-绝缘子\触头盒
防爆配电箱
户内外真空断路器..
防爆电器
高压互感器
多少油六氟化硫断..
操作机构
高压负荷开关 ..
限流熔断器
高低压陶瓷绝缘子..
高压复合绝缘子 ..
高压穿墙套管 ..
电力金具
跌落式熔断器 ..
氧化锌避雷器 ..
户内外高压隔离开..
环氧树脂套管-绝缘..
10 35kV热缩终端、..
产品搜索
SEARCH
营销网络
NETWORK
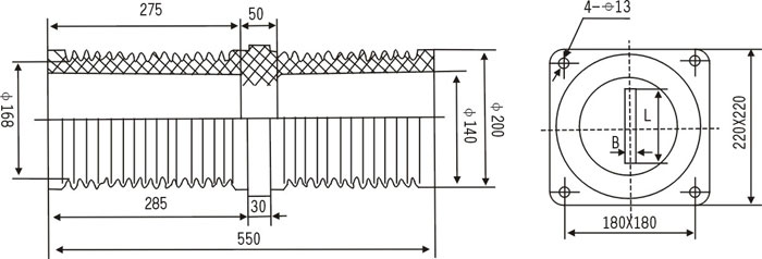
35KVΦ200×550(180×180) 套管
L
B
铜排根数
113
22
2
113
22
1
105
13
1
105
10.8
1
上一个
下一个
乐清市高群电气有限公司 All Right Reserved
浙ICP备20016299号-1
公司地址:乐清市象阳镇象东工业区 电话:0577-62602967 传真:0577-62602962 携手合作:
乐清网站建设